FL14SBL - BLDC постоянного тока
Техническое описание в формате .pdf
Заказ товара
Для того, чтобы сделать заказ, вы можете:
Прислать заявку по почте ring@upel.ru
Позвонить по тел./отправить факс на +7 (499) 490-03-65
Написать в Whatsapp
Мы работаем только с юридическими лицами. Соответственно, при оплате наших товаров используется только безналичный расчет. По предоплате и с НДС. Минимальная сумма заказа составляет пять тысяч рублей. Счет действителен в течение 3 рабочих дней.
Сроки отгрузки также указываются и в коммерческом предложении, и в счете. Мы делаем все возможные скидки крупным и постоянным клиентам. Если у вас есть достаточно крупный заказ или вы готовы заказывать регулярно — вам стоит обратиться к менеджеру и обсудить свою ПЕРСОНАЛЬНУЮ скидку.
Технические характеристики
| Характеристика | Значение |
|---|---|
| Производитель | Fulling Motor |
| Диэлектрическая прочность | 600VAC / 1s |
| Изоляционное сопротивление | 100MОм, 500VDC |
| Колебание температуры | -20°C~+50°C |
| Класс изоляции | Класс Б |
| Радиальный люфт | 0.025 |
| Осевой люфт | 0.3 |
| Максимальное радиальное усилие (Н) | 15 |
| Максимальное осевое усилие (Н) | 5 |
Стандартные модели
| Характеристика | Модель |
|---|---|
| FL14SBL45-6V-12000 | |
| Количество полюсов | 2 |
| Количество фаз | 3 |
| Номинальное напряжение (VDC) | 6 |
| Скорость (об/мин) | 11000 |
| Ток без нагрузки (А) | 0.1 |
| Номинальный крутящий момент (мН·м) | 3.6 |
| Номинальный ток (A) | 0.8 |
| Номинальная скорость (об/мин) | 10000 |
| Номинальная мощность (Вт) | 3.8 |
| КПД (%) | 70 |
| Пиковый крутящий момент (Н·м) | 10.8 |
| Ток (А) | 2.4 |
| Сопротивление (Ом) | 1.3 |
| Индуктивность (мГн) | 0.06 |
| Постоянная крутящего момента (мН·м/А) | 5.27 |
| Обратная ЭДС (Vrms/KRPM) | 0.39 |
| Термическое сопротивление корпуса (К/Вт) | 7.32 |
| Тепловая постоянная времени двигателя (S) | 869 |
| Максимальная температура обмотки (℃) | 155 |
| Электрическая постоянная времени (мс) | 0.046 |
FL14SBL45-6V-12000
| Количество полюсов | 2 |
| Количество фаз | 3 |
| Номинальное напряжение (VDC) | 6 |
| Скорость (об/мин) | 11000 |
| Ток без нагрузки (А) | 0.1 |
| Номинальный крутящий момент (мН·м) | 3.6 |
| Номинальный ток (A) | 0.8 |
| Номинальная скорость (об/мин) | 10000 |
| Номинальная мощность (Вт) | 3.8 |
| КПД (%) | 70 |
| Пиковый крутящий момент (Н·м) | 10.8 |
| Ток (А) | 2.4 |
| Сопротивление (Ом) | 1.3 |
| Индуктивность (мГн) | 0.06 |
| Постоянная крутящего момента (мН·м/А) | 5.27 |
| Обратная ЭДС (Vrms/KRPM) | 0.39 |
| Термическое сопротивление корпуса (К/Вт) | 7.32 |
| Тепловая постоянная времени двигателя (S) | 869 |
| Максимальная температура обмотки (℃) | 155 |
| Электрическая постоянная времени (мс) | 0.046 |
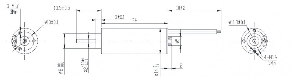
Общее описание
Модель FL14SBL представляет собой компактный высокоскоростной бесщеточный двигатель постоянного тока (BLDC). Ключевые технические параметры включают номинальное напряжение 6 В, очень высокую номинальную скорость до 10000 об/мин и номинальный крутящий момент 3.6 мН·м. Конструкция двигателя рассчитана на радиальные нагрузки до 15 Н и осевые до 5 Н.
Конструктивные особенности двигателя включают класс изоляции обмоток (Класс Б), проверку диэлектрической прочностью 600 VAC, а также низкое тепловое сопротивление корпуса. Компактные размеры, высокая скорость вращения и низкий момент инерции ротора делают устройство идеальным для применения в малогабаритных высокоскоростных системах, таких как миниатюрные вентиляторы, приводы оптических устройств и другие прецизионные механизмы, где важны малые габариты, высокая частота вращения и надежность.
Электрическое соединение
| Цвет | Тип | Функции |
|---|---|---|
| Желтый | UL1332 AWG20 | Фаза U |
| Красный | Фаза V | |
| Черный | Фаза W |
Исполнение

Остались вопросы?
Не нашли нужную модель или нужна консультация по продукции? Наши менеджеры будут рады Вам помочь разобраться во всем. Просто заполните форму, и мы свяжемся с Вами как можно скорее.