FL130BLG - Высокопроизводительные двигатели BLDC
Техническое описание в формате .pdf
Заказ товара
Для того, чтобы сделать заказ, вы можете:
Прислать заявку по почте ring@upel.ru
Позвонить по тел./отправить факс на +7 (499) 490-03-65
Написать в Whatsapp
Мы работаем только с юридическими лицами. Соответственно, при оплате наших товаров используется только безналичный расчет. По предоплате и с НДС. Минимальная сумма заказа составляет пять тысяч рублей. Счет действителен в течение 3 рабочих дней.
Сроки отгрузки также указываются и в коммерческом предложении, и в счете. Мы делаем все возможные скидки крупным и постоянным клиентам. Если у вас есть достаточно крупный заказ или вы готовы заказывать регулярно — вам стоит обратиться к менеджеру и обсудить свою ПЕРСОНАЛЬНУЮ скидку.
Технические характеристики
| Характеристика | Значение |
|---|---|
| Производитель | Fulling Motor |
| Максимальное радиальное усилие (Н) | 490 |
| Максимальное осевое усилие (Н) | 196 |
| Класс изоляции | Класс Б |
| Класс IP | IP65 |
| Колебание температуры | -20°C~+50°C |
| Относительная влажность | ≤90%RH |
| Условия хранения | -20℃~ +60℃, ≤85%RH |
| Среда установки | ≤1000м, беречь от коррозии, горючих газов, капель масла, пыли |
Стандартные модели
| Характеристика | Модель | |||
|---|---|---|---|---|
| FL130BLG200-220 | FL130BLG200-48 | FL130BLG300-220 | FL130BLG300-48 | |
| Номинальная мощность (Вт) | 2000 | 2000 | 3000 | 3000 |
| Номинальное напряжение (VDC) | 220 | 48 | 220 | 48 |
| Скорость (об/мин) | 2000 | 2000 | 2000 | 2000 |
| Номинальный крутящий момент (мН·м) | 9.55 | 9.55 | 14.3 | 14.3 |
| Номинальный ток (Arms) | 7.8 | 52.9 | 11.7 | 79.3 |
| Пиковый крутящий момент (Н·м) | 28.65 | 28.65 | 42.9 | 42.9 |
| Пиковый ток (Arms) | 23.4 | 158.7 | 35.1 | 237.9 |
| Сопротивление (Ом) | 1.4 | 0.03 | 0.84 | 0,018 |
| Индуктивность (мГн) | 6.8 | 0.14 | 4.8 | 1 |
| Постоянная противо-ЭДС (V/KRPM) | 81 | 12 | 81 | 12 |
| Постоянная крутящего момента (мН·м/А) | 1.22 | 0.18 | 1.22 | 0.18 |
| Инерция ротора (кг·см²) | 14 | 14 | 19.9 | 19.9 |
| Инерция ротора с тормозом (кг·см²) | 15.2 | 15.2 | 20.2 | 20.2 |
| Количество полюсов | 10 | 10 | 10 | 10 |
| Длина двигателя L1(мм) | 150.0 | 165.0 | 178.0 | 193.0 |
| Длина двигателя L2(мм) | 178.0 | 193.0 | 206.0 | 221.0 |
| Масса (кг) | 7 | 7.5 | 11.7 | 12.7 |
| Масса с тормозом (кг) | 9.5 | 10 | 14.2 | 15.2 |
FL130BLG200-220
| Номинальная мощность (Вт) | 2000 |
| Номинальное напряжение (VDC) | 220 |
| Скорость (об/мин) | 2000 |
| Номинальный крутящий момент (мН·м) | 9.55 |
| Номинальный ток (Arms) | 7.8 |
| Пиковый крутящий момент (Н·м) | 28.65 |
| Пиковый ток (Arms) | 23.4 |
| Сопротивление (Ом) | 1.4 |
| Индуктивность (мГн) | 6.8 |
| Постоянная противо-ЭДС (V/KRPM) | 81 |
| Постоянная крутящего момента (мН·м/А) | 1.22 |
| Инерция ротора (кг·см²) | 14 |
| Инерция ротора с тормозом (кг·см²) | 15.2 |
| Количество полюсов | 10 |
| Длина двигателя L1(мм) | 150.0 |
| Длина двигателя L2(мм) | 178.0 |
| Масса (кг) | 7 |
| Масса с тормозом (кг) | 9.5 |
FL130BLG200-48
| Номинальная мощность (Вт) | 2000 |
| Номинальное напряжение (VDC) | 48 |
| Скорость (об/мин) | 2000 |
| Номинальный крутящий момент (мН·м) | 9.55 |
| Номинальный ток (Arms) | 52.9 |
| Пиковый крутящий момент (Н·м) | 28.65 |
| Пиковый ток (Arms) | 158.7 |
| Сопротивление (Ом) | 0.03 |
| Индуктивность (мГн) | 0.14 |
| Постоянная противо-ЭДС (V/KRPM) | 12 |
| Постоянная крутящего момента (мН·м/А) | 0.18 |
| Инерция ротора (кг·см²) | 14 |
| Инерция ротора с тормозом (кг·см²) | 15.2 |
| Количество полюсов | 10 |
| Длина двигателя L1(мм) | 165.0 |
| Длина двигателя L2(мм) | 193.0 |
| Масса (кг) | 7.5 |
| Масса с тормозом (кг) | 10 |
FL130BLG300-220
| Номинальная мощность (Вт) | 3000 |
| Номинальное напряжение (VDC) | 220 |
| Скорость (об/мин) | 2000 |
| Номинальный крутящий момент (мН·м) | 14.3 |
| Номинальный ток (Arms) | 11.7 |
| Пиковый крутящий момент (Н·м) | 42.9 |
| Пиковый ток (Arms) | 35.1 |
| Сопротивление (Ом) | 0.84 |
| Индуктивность (мГн) | 4.8 |
| Постоянная противо-ЭДС (V/KRPM) | 81 |
| Постоянная крутящего момента (мН·м/А) | 1.22 |
| Инерция ротора (кг·см²) | 19.9 |
| Инерция ротора с тормозом (кг·см²) | 20.2 |
| Количество полюсов | 10 |
| Длина двигателя L1(мм) | 178.0 |
| Длина двигателя L2(мм) | 206.0 |
| Масса (кг) | 11.7 |
| Масса с тормозом (кг) | 14.2 |
FL130BLG300-48
| Номинальная мощность (Вт) | 3000 |
| Номинальное напряжение (VDC) | 48 |
| Скорость (об/мин) | 2000 |
| Номинальный крутящий момент (мН·м) | 14.3 |
| Номинальный ток (Arms) | 79.3 |
| Пиковый крутящий момент (Н·м) | 42.9 |
| Пиковый ток (Arms) | 237.9 |
| Сопротивление (Ом) | 0,018 |
| Индуктивность (мГн) | 1 |
| Постоянная противо-ЭДС (V/KRPM) | 12 |
| Постоянная крутящего момента (мН·м/А) | 0.18 |
| Инерция ротора (кг·см²) | 19.9 |
| Инерция ротора с тормозом (кг·см²) | 20.2 |
| Количество полюсов | 10 |
| Длина двигателя L1(мм) | 193.0 |
| Длина двигателя L2(мм) | 221.0 |
| Масса (кг) | 12.7 |
| Масса с тормозом (кг) | 15.2 |
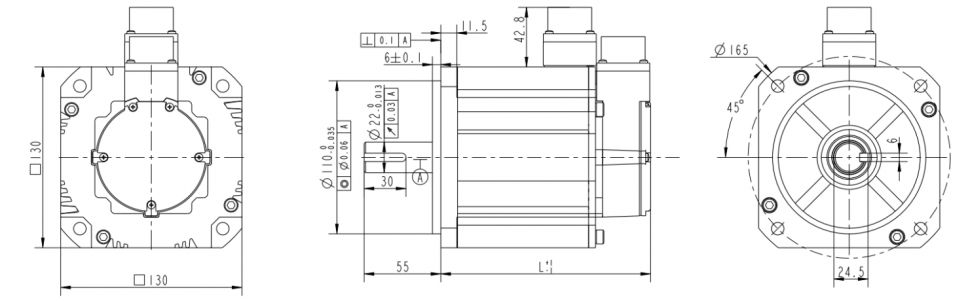
Общее описание
FL130BLG - высокопроизводительный трехфазный бесщеточный двигатель постоянного тока (BLDC) с 10 полюсами и встроенным датчиком Холла. Номинальная мощность двигателя составляет 2000 или 3000 Вт. Доступны версии на напряжение 48 В DC и 220 В DC. Номинальная скорость вращения - 2000 об/мин, номинальный крутящий момент - 9.55 Н·м для мощности 2000 Вт и 14.3 Н·м для мощности 3000 Вт. Двигатель обеспечивает пиковый крутящий момент до 42.9 Н·м. Параметры обмотки варьируются в зависимости от модификации: сопротивление фазы от 0.018 до 1.4 Ом, индуктивность от 0.14 до 6.8 мГн, постоянная момента составляет 0.18 Н·м/А для 48-вольтовых версий и 1.22 Н·м/А для 220-вольтовых версий, константа противо-ЭДС - 12 V/KRPM для 48 В и 81 V/KRPM для 220 В. Момент инерции ротора составляет от 14 до 19.9 кг·см², а в варианте с тормозом - от 15.2 до 20.2 кг·см².
Конструкция рассчитана на высокие нагрузки: максимальная радиальная нагрузка на вал составляет 490 Н, осевая - 196 Н. Двигатель имеет высокую степень защиты корпуса - IP65, что обеспечивает полную защиту от пыли и защиту от струй воды. Изоляция обмоток соответствует классу B. Рабочий диапазон температур окружающей среды от -20°C до +50°C при относительной влажности до 90%. Условия хранения: от -20°C до +60°C, влажность ≤85%. Монтаж двигателя должен осуществляться на высоте до 1000 метров над уровнем моря, в среде, защищенной от коррозии, горючих газов, капель масла и пыли. Коммутация осуществляется через 8-проводной интерфейс (3 силовых провода для фаз, 5 проводов для датчиков Холла и питания). Длина корпуса моделей (без тормоза L1) составляет от 150.0 до 193.0 мм, с тормозом (L2) - от 178.0 до 221.0 мм. Масса двигателя без тормоза - от 7 до 12.7 кг, с тормозом - от 9.5 до 15.2 кг.
Электрическое соединение
| Hомер контакта | Тип | Цвет | Функции |
|---|---|---|---|
| 5 | UL1332 AWG26 | Зеленый | Vcc |
| 1 | Желтый | U (Hu) | |
| 2 | Коричневый | V (HV) | |
| 3 | Серый | W (Hw) | |
| 4 | Синий | Земля | |
| 1 | Конкретные характеристики смотрите на чертеже. | Желтый | Фаза U |
| 2 | Красный | Фаза V | |
| 3 | Черный | Фаза W |
Остались вопросы?
Не нашли нужную модель или нужна консультация по продукции? Наши менеджеры будут рады Вам помочь разобраться во всем. Просто заполните форму, и мы свяжемся с Вами как можно скорее.