FL125BL - Стандартные двигатели BLDC
Техническое описание в формате .pdf
Заказ товара
Для того, чтобы сделать заказ, вы можете:
Прислать заявку по почте ring@upel.ru
Позвонить по тел./отправить факс на +7 (499) 490-03-65
Написать в Whatsapp
Мы работаем только с юридическими лицами. Соответственно, при оплате наших товаров используется только безналичный расчет. По предоплате и с НДС. Минимальная сумма заказа составляет пять тысяч рублей. Счет действителен в течение 3 рабочих дней.
Сроки отгрузки также указываются и в коммерческом предложении, и в счете. Мы делаем все возможные скидки крупным и постоянным клиентам. Если у вас есть достаточно крупный заказ или вы готовы заказывать регулярно — вам стоит обратиться к менеджеру и обсудить свою ПЕРСОНАЛЬНУЮ скидку.
Технические характеристики
| Характеристика | Значение |
|---|---|
| Производитель | Fulling Motor |
| Угол эффекта Холла | 120 градусов |
| Радиальный люфт | 0.02 мм при 460 г |
| Осевой люфт | 0.08 мм при 4000 г |
| Максимальное радиальное усилие (Н) | 220 |
| Максимальное осевое усилие (Н) | 60 |
| Диэлектрическая прочность | 600VAC / 1s |
| Изоляционное сопротивление | 100MОм, 500VDC |
| Колебание температуры | -20°C~+50°C |
| Класс изоляции | Класс Б |
Стандартные модели
| Характеристика | Модель |
|---|---|
| FL125VL60 | |
| Количество полюсов | 28 |
| Количество фаз | 3 |
| Номинальное напряжение (VDC) | 60 |
| Номинальный крутящий момент (мН·м) | 6.8 |
| Постоянный крутящий момент (мН·м) | 8.16 |
| Номинальная скорость (об/мин) | 400 |
| Номинальная мощность (Вт) | 285 |
| Пиковый крутящий момент (мН·м) | 20 |
| Ток (А) | 22.7 |
| Сопротивление (Ом) | 1.1 |
| Индуктивность (мГн) | 2.4 |
| Постоянная крутящего момента (мН·м/А) | 0.88 |
| Обратная ЭДС (Vrms/KRPM) | 65 |
| Инерция ротора (г·см²) | 2100 |
| Длина двигателя (мм) | 64.0 |
| Масса (кг) | 2.9 |
FL125VL60
| Количество полюсов | 28 |
| Количество фаз | 3 |
| Номинальное напряжение (VDC) | 60 |
| Номинальный крутящий момент (мН·м) | 6.8 |
| Постоянный крутящий момент (мН·м) | 8.16 |
| Номинальная скорость (об/мин) | 400 |
| Номинальная мощность (Вт) | 285 |
| Пиковый крутящий момент (мН·м) | 20 |
| Ток (А) | 22.7 |
| Сопротивление (Ом) | 1.1 |
| Индуктивность (мГн) | 2.4 |
| Постоянная крутящего момента (мН·м/А) | 0.88 |
| Обратная ЭДС (Vrms/KRPM) | 65 |
| Инерция ротора (г·см²) | 2100 |
| Длина двигателя (мм) | 64.0 |
| Масса (кг) | 2.9 |
Общее описание
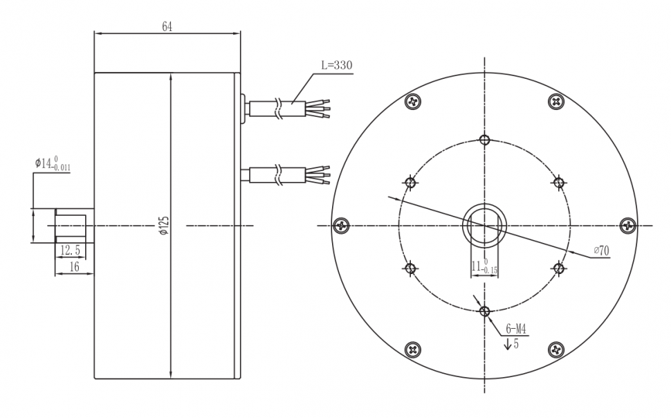
Модель FL125BL представляет собой мощный стандартный бесщеточный двигатель постоянного тока (BLDC). Ключевые технические параметры включают угол коммутации по датчикам Холла 120°, минимальный радиальный люфт 0.02 мм и осевой 0.08 мм. Конструкция двигателя рассчитана на высокие радиальные нагрузки до 220 Н и значительные осевые нагрузки до 60 Н.
Конструктивные особенности двигателя включают класс изоляции обмоток (Класс Б), проверку диэлектрической прочностью 600 VAC и наличие встроенных датчиков Холла для точной коммутации. Широкий диапазон рабочих температур (от -20°C до +50°C) и высокие электрические параметры позволяют использовать устройство в мощных промышленных системах, таких как приводы тяжелого оборудования, промышленные вентиляторы и автоматизированные линии, где требуются высокая производительность, надежность и стабильная работа под нагрузкой.
Электрическое соединение
| Tип | Цвет | Функции |
|---|---|---|
| UL1332 AWG22 | Красный | Vcc |
| Синий | U (Xu) | |
| Зеленый | V (Hv) | |
| Белый | W (Xw) | |
| Черный | Земля | |
| UL3135 AWG14 | Желтый | Фаза U |
| Красный | Фаза V | |
| Черный | Фаза W |
Остались вопросы?
Не нашли нужную модель или нужна консультация по продукции? Наши менеджеры будут рады Вам помочь разобраться во всем. Просто заполните форму, и мы свяжемся с Вами как можно скорее.