FL115HSV - Серводвигатели без корпуса
Техническое описание в формате .pdf
Заказ товара
Для того, чтобы сделать заказ, вы можете:
Прислать заявку по почте ring@upel.ru
Позвонить по тел./отправить факс на +7 (499) 490-03-65
Написать в Whatsapp
Мы работаем только с юридическими лицами. Соответственно, при оплате наших товаров используется только безналичный расчет. По предоплате и с НДС. Минимальная сумма заказа составляет пять тысяч рублей. Счет действителен в течение 3 рабочих дней.
Сроки отгрузки также указываются и в коммерческом предложении, и в счете. Мы делаем все возможные скидки крупным и постоянным клиентам. Если у вас есть достаточно крупный заказ или вы готовы заказывать регулярно — вам стоит обратиться к менеджеру и обсудить свою ПЕРСОНАЛЬНУЮ скидку.
Технические характеристики
| Характеристика | Значение |
|---|---|
| Производитель | Fulling Motor |
| Диэлектрическая прочность | 1000VAC / 1s |
| Изоляционное сопротивление | 100MОм, 500VDC |
| Колебание температуры | -20°C~+50°C |
| Класс изоляции | Класс Б |
Стандартные модели
| Характеристика | Модель | |
|---|---|---|
| FL115HSV25-48V-14570-T-2 | FL115HSV50-48V-06620-T-2 | |
| Количество полюсов | 20 | 20 |
| Количество фаз | 3 | 3 |
| Номинальное напряжение (VDC) | 48 | 48 |
| Номинальный крутящий момент (Н·м) | 3.9 | 7.8 |
| Номинальный ток (A) | 14.1 | 13 |
| Номинальная скорость (об/мин) | 1400 | 620 |
| Номинальная мощность (Вт) | 571 | 617 |
| Скорость (об/мин) | 1900 | 900 |
| Максимальный крутящий момент (Н·м) | 11.7 | 23.4 |
| Ток (А) | 42.3 | 39 |
| Сопротивление (Ом) | 0.2 | 0.35 |
| Индуктивность (мГн) | 0.5 | 1.6 |
| Постоянная крутящего момента (Н·м/А) | 0.293 | 0.662 |
| Обратная ЭДС (Vrms/KRPM) | 17.7 | 40 |
| Масса (кг) | 1.1 | 2.2 |
| Электрическая постоянная времени (мс) | 2.5 | 4.57 |
FL115HSV25-48V-14570-T-2
| Количество полюсов | 20 |
| Количество фаз | 3 |
| Номинальное напряжение (VDC) | 48 |
| Номинальный крутящий момент (Н·м) | 3.9 |
| Номинальный ток (A) | 14.1 |
| Номинальная скорость (об/мин) | 1400 |
| Номинальная мощность (Вт) | 571 |
| Скорость (об/мин) | 1900 |
| Максимальный крутящий момент (Н·м) | 11.7 |
| Ток (А) | 42.3 |
| Сопротивление (Ом) | 0.2 |
| Индуктивность (мГн) | 0.5 |
| Постоянная крутящего момента (Н·м/А) | 0.293 |
| Обратная ЭДС (Vrms/KRPM) | 17.7 |
| Масса (кг) | 1.1 |
| Электрическая постоянная времени (мс) | 2.5 |
FL115HSV50-48V-06620-T-2
| Количество полюсов | 20 |
| Количество фаз | 3 |
| Номинальное напряжение (VDC) | 48 |
| Номинальный крутящий момент (Н·м) | 7.8 |
| Номинальный ток (A) | 13 |
| Номинальная скорость (об/мин) | 620 |
| Номинальная мощность (Вт) | 617 |
| Скорость (об/мин) | 900 |
| Максимальный крутящий момент (Н·м) | 23.4 |
| Ток (А) | 39 |
| Сопротивление (Ом) | 0.35 |
| Индуктивность (мГн) | 1.6 |
| Постоянная крутящего момента (Н·м/А) | 0.662 |
| Обратная ЭДС (Vrms/KRPM) | 40 |
| Масса (кг) | 2.2 |
| Электрическая постоянная времени (мс) | 4.57 |
Общее описание
Модель FL115HSV представляет собой бескорпусный серводвигатель. Ключевые технические параметры включают номинальную мощность до 617 Вт, номинальную скорость до 1400 об/мин и номинальный крутящий момент до 7.8 Н·м. Конструктивные особенности двигателя гарантируют его стабильную и точную работу: компактное бескорпусное исполнение и максимальный крутящий момент до 23.4 Н·м. Унифицированные геометрические параметры способствуют упрощённой интеграции в различные системы. Двигатель отличается высоким классом изоляции (Класс Б), диэлектрической прочностью 1000VAC/1s, сопротивлением изоляции 100 МОм при 500VDC и рабочим диапазоном температур от -20°C до +50°C.
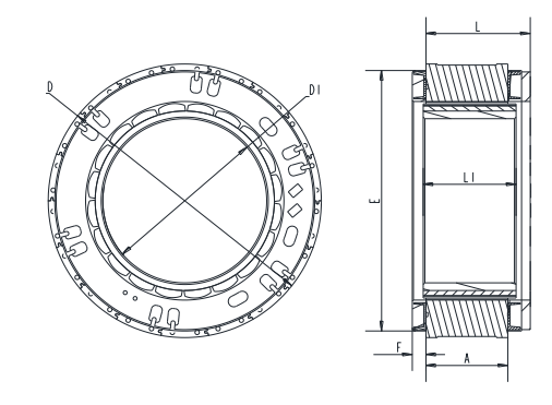
| Параметры | FL115HSV25 | FL115HSV50 | Допуск |
|---|---|---|---|
| Наружный диаметр статора D | 115.0 мм | 115.0 мм | ±0.043 (js9) |
| Длина статора L | 31.8 мм | 56.6 мм | ±1 |
| Внутренний диаметр ротора D1 | 74.0 мм | 74.0 мм | 0.046 (H8) |
| Длина ротора L1 | 32.7 мм | 57.7 мм | ±0.25 |
| Наружный диаметр поверхности заливки компаундом E | 112.0 мм | 112.0 мм | ±0.2 |
| Высота поверхности заливки компаундом F | 5.5 мм | 5.5 мм | 0.5 |
| Высота магнитопровода статора A | 25.0 мм | 50.0 мм |
Электрическое соединение
| Цвет | Модель провода | Функция |
|---|---|---|
| Белый | UL1332 AWG26 | НТК |
| Белый | НТК | |
| Желтый | UL1332 AWG16 | Фаза U |
| Красный | Фаза V | |
| Черный | Фаза W |
Остались вопросы?
Не нашли нужную модель или нужна консультация по продукции? Наши менеджеры будут рады Вам помочь разобраться во всем. Просто заполните форму, и мы свяжемся с Вами как можно скорее.