FL100BLG - Высокопроизводительные двигатели BLDC
Техническое описание в формате .pdf
Заказ товара
Для того, чтобы сделать заказ, вы можете:
Прислать заявку по почте ring@upel.ru
Позвонить по тел./отправить факс на +7 (499) 490-03-65
Написать в Whatsapp
Мы работаем только с юридическими лицами. Соответственно, при оплате наших товаров используется только безналичный расчет. По предоплате и с НДС. Минимальная сумма заказа составляет пять тысяч рублей. Счет действителен в течение 3 рабочих дней.
Сроки отгрузки также указываются и в коммерческом предложении, и в счете. Мы делаем все возможные скидки крупным и постоянным клиентам. Если у вас есть достаточно крупный заказ или вы готовы заказывать регулярно — вам стоит обратиться к менеджеру и обсудить свою ПЕРСОНАЛЬНУЮ скидку.
Технические характеристики
| Характеристика | Значение |
|---|---|
| Производитель | Fulling Motor |
| Максимальное радиальное усилие (Н) | 490 |
| Максимальное осевое усилие (Н) | 196 |
| Класс изоляции | Класс Б |
| Класс IP | IP65 |
| Колебание температуры | -20°C~+50°C |
| Относительная влажность | ≤90%RH |
| Условия хранения | -20℃~ +85℃, ≤85%RH |
| Среда установки | ≤1000м, беречь от коррозии, горючих газов, капель масла, пыли |
Стандартные модели
| Характеристика | Модель | |||
|---|---|---|---|---|
| FL100BLG10-310 | FL100BLG10-48 | FL100BLG15-310 | FL100BLG15-48 | |
| Количество фаз | 3 | 3 | 3 | 3 |
| Номинальная мощность (Вт) | 1000 | 1000 | 1500 | 1500 |
| Номинальное напряжение (VDC) | 310 | 48 | 310 | 48 |
| Скорость (об/мин) | 3000 | 3000 | 3000 | 3000 |
| Номинальный крутящий момент (мН·м) | 3.18 | 3.18 | 4.77 | 4.77 |
| Постоянный крутящий момент (мН·м) | 3.81 | 3.81 | 5.72 | 5.72 |
| Пиковый крутящий момент (Н·м) | 7 | 7 | 10.5 | 10.5 |
| Пиковый ток (Arms) | 13.7 | 84.3 | 20.6 | 121 |
| Сопротивление (Ом) | 0.82 | 0.022 | 0.54 | 0.015 |
| Индуктивность (мГн) | 7.4 | 0.2 | 5.2 | 0.15 |
| Постоянная крутящего момента (мН·м/А) | 0.51 | 0.083 | 0.51 | 0.087 |
| Обратная ЭДС (Vrms/KRPM) | 38 | 6.18 | 38 | 6.48 |
| Инерция ротора (кг·см²) | 1.3 | 1.3 | 1.84 | 1.84 |
| Количество полюсов | 10 | 10 | 10 | 10 |
| Длина двигателя (мм) | 137.0 | 142.0 | 159.0 | 164.0 |
| Масса (кг) | 3.73 | 3.8 | 4.7 | 4.8 |
FL100BLG10-310
| Количество фаз | 3 |
| Номинальная мощность (Вт) | 1000 |
| Номинальное напряжение (VDC) | 310 |
| Скорость (об/мин) | 3000 |
| Номинальный крутящий момент (мН·м) | 3.18 |
| Постоянный крутящий момент (мН·м) | 3.81 |
| Пиковый крутящий момент (Н·м) | 7 |
| Пиковый ток (Arms) | 13.7 |
| Сопротивление (Ом) | 0.82 |
| Индуктивность (мГн) | 7.4 |
| Постоянная крутящего момента (мН·м/А) | 0.51 |
| Обратная ЭДС (Vrms/KRPM) | 38 |
| Инерция ротора (кг·см²) | 1.3 |
| Количество полюсов | 10 |
| Длина двигателя (мм) | 137.0 |
| Масса (кг) | 3.73 |
FL100BLG10-48
| Количество фаз | 3 |
| Номинальная мощность (Вт) | 1000 |
| Номинальное напряжение (VDC) | 48 |
| Скорость (об/мин) | 3000 |
| Номинальный крутящий момент (мН·м) | 3.18 |
| Постоянный крутящий момент (мН·м) | 3.81 |
| Пиковый крутящий момент (Н·м) | 7 |
| Пиковый ток (Arms) | 84.3 |
| Сопротивление (Ом) | 0.022 |
| Индуктивность (мГн) | 0.2 |
| Постоянная крутящего момента (мН·м/А) | 0.083 |
| Обратная ЭДС (Vrms/KRPM) | 6.18 |
| Инерция ротора (кг·см²) | 1.3 |
| Количество полюсов | 10 |
| Длина двигателя (мм) | 142.0 |
| Масса (кг) | 3.8 |
FL100BLG15-310
| Количество фаз | 3 |
| Номинальная мощность (Вт) | 1500 |
| Номинальное напряжение (VDC) | 310 |
| Скорость (об/мин) | 3000 |
| Номинальный крутящий момент (мН·м) | 4.77 |
| Постоянный крутящий момент (мН·м) | 5.72 |
| Пиковый крутящий момент (Н·м) | 10.5 |
| Пиковый ток (Arms) | 20.6 |
| Сопротивление (Ом) | 0.54 |
| Индуктивность (мГн) | 5.2 |
| Постоянная крутящего момента (мН·м/А) | 0.51 |
| Обратная ЭДС (Vrms/KRPM) | 38 |
| Инерция ротора (кг·см²) | 1.84 |
| Количество полюсов | 10 |
| Длина двигателя (мм) | 159.0 |
| Масса (кг) | 4.7 |
FL100BLG15-48
| Количество фаз | 3 |
| Номинальная мощность (Вт) | 1500 |
| Номинальное напряжение (VDC) | 48 |
| Скорость (об/мин) | 3000 |
| Номинальный крутящий момент (мН·м) | 4.77 |
| Постоянный крутящий момент (мН·м) | 5.72 |
| Пиковый крутящий момент (Н·м) | 10.5 |
| Пиковый ток (Arms) | 121 |
| Сопротивление (Ом) | 0.015 |
| Индуктивность (мГн) | 0.15 |
| Постоянная крутящего момента (мН·м/А) | 0.087 |
| Обратная ЭДС (Vrms/KRPM) | 6.48 |
| Инерция ротора (кг·см²) | 1.84 |
| Количество полюсов | 10 |
| Длина двигателя (мм) | 164.0 |
| Масса (кг) | 4.8 |
Общее описание
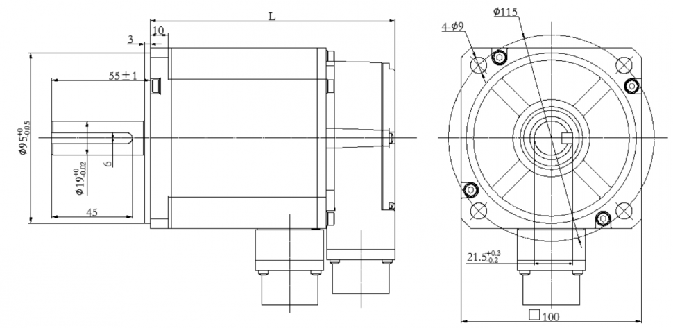
FL100BLG - высокопроизводительный трехфазный бесщеточный двигатель постоянного тока (BLDC) с 10 полюсами и встроенным датчиком Холла. Номинальная мощность двигателя составляет от 1000 до 1500 Вт. Номинальные параметры: доступны версии на напряжение 48 В DC и 310 В DC, скорость 3000 об/мин, номинальный крутящий момент от 3.18 до 4.77 Н·м. Двигатель обеспечивает постоянный момент от 3.81 до 5.72 Н·м и пиковый момент от 7 до 10.5 Н·м. Параметры обмотки варьируются в зависимости от модификации: сопротивление фазы от 0.015 до 0.82 Ом, индуктивность от 0.15 до 7.4 мГн, постоянная момента от 0.083 до 0.51 Н·м/А, константа обратной ЭДС от 6.18 до 38 Vrms/KRPM. Момент инерции ротора - от 1.3 до 1.84 кг·см².
Конструкция рассчитана на экстремальные нагрузки: максимальная радиальная нагрузка на вал составляет 490 Н, осевая - 196 Н. Двигатель имеет высокую степень защиты корпуса - IP65, что обеспечивает полную защиту от пыли и защиту от струй воды. Изоляция обмоток соответствует классу B. Рабочий диапазон температур окружающей среды от -20°C до +50°C при относительной влажности до 90%. Рекомендуемые условия хранения: от -20°C до +85°C, влажность ≤85%. Монтаж двигателя должен осуществляться на высоте до 1000 метров над уровнем моря, в среде, защищенной от коррозии, горючих газов, капель масла и пыли. Коммутация осуществляется через 8-проводной интерфейс (3 силовых провода для фаз, 5 проводов для датчиков Холла и питания). Длина корпуса моделей составляет от 137.0 до 164.0 мм, масса - от 3.73 до 4.8 кг.
Электрическое соединение
| Hомер контакта | Тип | Цвет | Функции |
|---|---|---|---|
| 5 | UL1332 AWG26 | Зеленый | Vcc |
| 1 | Желтый | U (Hu) | |
| 2 | Коричневый | V (HV) | |
| 3 | Серый | W (Hw) | |
| 4 | Синий | Земля | |
| 1 | Конкретные характеристики смотрите на чертеже. | Желтый | Фаза U |
| 2 | Красный | Фаза V | |
| 3 | Черный | Фаза W |
Остались вопросы?
Не нашли нужную модель или нужна консультация по продукции? Наши менеджеры будут рады Вам помочь разобраться во всем. Просто заполните форму, и мы свяжемся с Вами как можно скорее.