28/35/57BYZ - Шаговые двигатели с постоянными магнитами
Техническое описание в формате .pdf
Заказ товара
Для того, чтобы сделать заказ, вы можете:
Прислать заявку по почте ring@upel.ru
Позвонить по тел./отправить факс на +7 (499) 490-03-65
Написать в Whatsapp
Мы работаем только с юридическими лицами. Соответственно, при оплате наших товаров используется только безналичный расчет. По предоплате и с НДС. Минимальная сумма заказа составляет пять тысяч рублей. Счет действителен в течение 3 рабочих дней.
Сроки отгрузки также указываются и в коммерческом предложении, и в счете. Мы делаем все возможные скидки крупным и постоянным клиентам. Если у вас есть достаточно крупный заказ или вы готовы заказывать регулярно — вам стоит обратиться к менеджеру и обсудить свою ПЕРСОНАЛЬНУЮ скидку.
Технические характеристики
| Характеристика | Значение |
|---|---|
| Производитель | Fulling Motor |
Стандартные модели
| Характеристика | Модель | |||||
|---|---|---|---|---|---|---|
| 28BYZ-09 | 28BYZ-A01 | 35BY16Z | 35YC25Z-A02 | 35BYZ-B01F | 57BYZ-B022 | |
| Угол шага | 15 | 15 | 7.5 | 7.5 | 7.5 | 7.5 |
| Количество фаз | 2 | 2 | 2 | 2 | 4 | 4 |
| Напряжение (В) | 5 | 24 | 9 | 12 | 5 | 12 |
| Ток (А) | 0.46 | 0.16 | 0.5 | 0.6 | 0.46 | 0.67 |
| Сопротивление (Ом) | 10.8 | 150 | 7.7 | 11 | 11 | 18 |
| Доступно для перемещения за шаг (мм) | 0.0417 | 0.0417 | 0.0167 | 0.0254 | 0.0254 | 0.0254 |
| Крутящий момент толкания/тяги (Н) | 40 | 65 | 35 | 100 | 40 | 90 |
| Люфт (мм) | ≧87.0 | ≧12.0 | ≧14.0 | ≧5.3 | ≧75.0 | ≧130.0 |
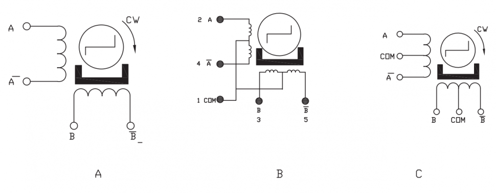
| Схема электропроводки | A | A | A | A | C | C |
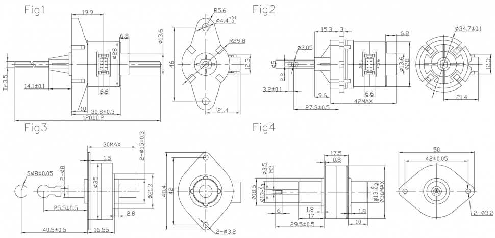
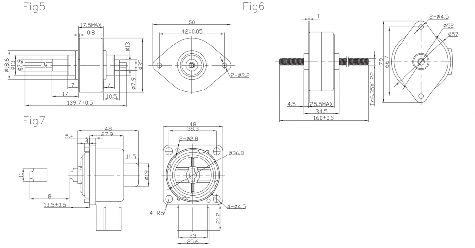
| Изображение | 1 | 2 | - | 4 | 5 | 6 |
| Индуктивность (мГн) | - | 85 | 8.1 | 8.2 | - | 18.7 |
| Количество выводных контактов | - | - | UL1332 24# | UL1061 28# | UL1061 28# | UL1007 26# |
28BYZ-09
| Угол шага | 15 |
| Количество фаз | 2 |
| Напряжение (В) | 5 |
| Ток (А) | 0.46 |
| Сопротивление (Ом) | 10.8 |
| Доступно для перемещения за шаг (мм) | 0.0417 |
| Крутящий момент толкания/тяги (Н) | 40 |
| Люфт (мм) | ≧87.0 |
| Схема электропроводки | A |
| Изображение | 1 |
| Индуктивность (мГн) | - |
| Количество выводных контактов | - |
28BYZ-A01
| Угол шага | 15 |
| Количество фаз | 2 |
| Напряжение (В) | 24 |
| Ток (А) | 0.16 |
| Сопротивление (Ом) | 150 |
| Доступно для перемещения за шаг (мм) | 0.0417 |
| Крутящий момент толкания/тяги (Н) | 65 |
| Люфт (мм) | ≧12.0 |
| Схема электропроводки | A |
| Изображение | 2 |
| Индуктивность (мГн) | 85 |
| Количество выводных контактов | - |
35BY16Z
| Угол шага | 7.5 |
| Количество фаз | 2 |
| Напряжение (В) | 9 |
| Ток (А) | 0.5 |
| Сопротивление (Ом) | 7.7 |
| Доступно для перемещения за шаг (мм) | 0.0167 |
| Крутящий момент толкания/тяги (Н) | 35 |
| Люфт (мм) | ≧14.0 |
| Схема электропроводки | A |
| Изображение | - |
| Индуктивность (мГн) | 8.1 |
| Количество выводных контактов | UL1332 24# |
35YC25Z-A02
| Угол шага | 7.5 |
| Количество фаз | 2 |
| Напряжение (В) | 12 |
| Ток (А) | 0.6 |
| Сопротивление (Ом) | 11 |
| Доступно для перемещения за шаг (мм) | 0.0254 |
| Крутящий момент толкания/тяги (Н) | 100 |
| Люфт (мм) | ≧5.3 |
| Схема электропроводки | A |
| Изображение | 4 |
| Индуктивность (мГн) | 8.2 |
| Количество выводных контактов | UL1061 28# |
35BYZ-B01F
| Угол шага | 7.5 |
| Количество фаз | 4 |
| Напряжение (В) | 5 |
| Ток (А) | 0.46 |
| Сопротивление (Ом) | 11 |
| Доступно для перемещения за шаг (мм) | 0.0254 |
| Крутящий момент толкания/тяги (Н) | 40 |
| Люфт (мм) | ≧75.0 |
| Схема электропроводки | C |
| Изображение | 5 |
| Индуктивность (мГн) | - |
| Количество выводных контактов | UL1061 28# |
57BYZ-B022
| Угол шага | 7.5 |
| Количество фаз | 4 |
| Напряжение (В) | 12 |
| Ток (А) | 0.67 |
| Сопротивление (Ом) | 18 |
| Доступно для перемещения за шаг (мм) | 0.0254 |
| Крутящий момент толкания/тяги (Н) | 90 |
| Люфт (мм) | ≧130.0 |
| Схема электропроводки | C |
| Изображение | 6 |
| Индуктивность (мГн) | 18.7 |
| Количество выводных контактов | UL1007 26# |
Общее описание
Модель 28/35/57BYZ представляет собой шаговый двигатель с постоянными магнитами. Ключевые технические параметры включают угол шага 7.5° или 15°, работу с 2 или 4 фазами и широкий диапазон номинального тока от 0.16 А до 0.67 А. Высокое усилие до 100 Н обеспечивает надежное позиционирование и перемещение.
Конструктивные особенности двигателя обеспечивают его надежную работу в различных системах управления: стандартизированные схемы электропроводки (A, C), использование качественных изолированных выводов (UL1061, UL1332, UL1007 и др.), а также стабильные электрические параметры. Широкий диапазон рабочих параметров позволяет использовать устройство в различных промышленных условиях и автоматизированных системах.
Детальные изображения

Остались вопросы?
Не нашли нужную модель или нужна консультация по продукции? Наши менеджеры будут рады Вам помочь разобраться во всем. Просто заполните форму, и мы свяжемся с Вами как можно скорее.