φ25 PM - Шаговые двигатели с постоянными магнитами
Техническое описание в формате .pdf
Заказ товара
Для того, чтобы сделать заказ, вы можете:
Прислать заявку по почте ring@upel.ru
Позвонить по тел./отправить факс на +7 (499) 490-03-65
Написать в Whatsapp
Мы работаем только с юридическими лицами. Соответственно, при оплате наших товаров используется только безналичный расчет. По предоплате и с НДС. Минимальная сумма заказа составляет пять тысяч рублей. Счет действителен в течение 3 рабочих дней.
Сроки отгрузки также указываются и в коммерческом предложении, и в счете. Мы делаем все возможные скидки крупным и постоянным клиентам. Если у вас есть достаточно крупный заказ или вы готовы заказывать регулярно — вам стоит обратиться к менеджеру и обсудить свою ПЕРСОНАЛЬНУЮ скидку.
Технические характеристики
| Характеристика | Значение |
|---|---|
| Производитель | Fulling Motor |
Общее описание
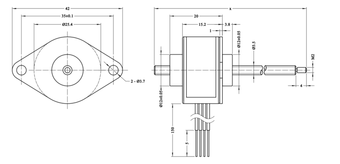
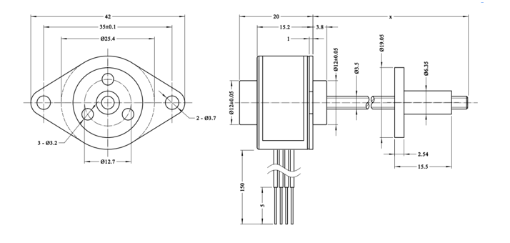
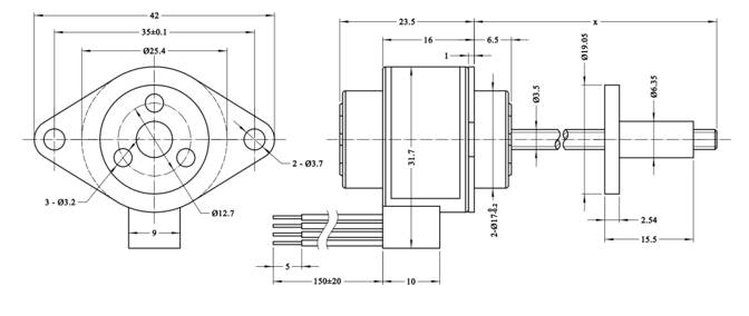
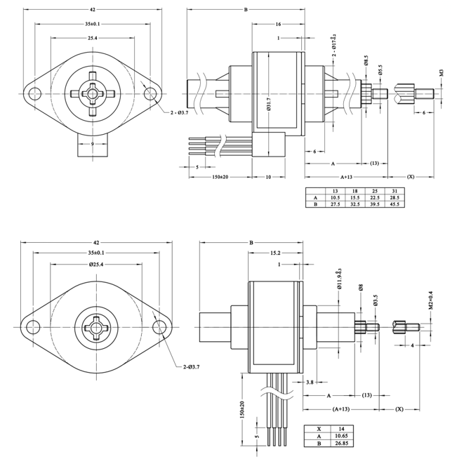
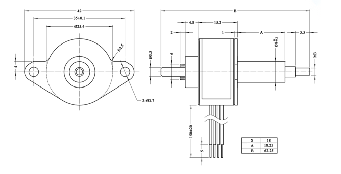
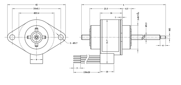
Модель φ25 PM представляет собой шаговый двигатель с постоянными магнитами. Ключевые технические параметры включают угол шага 7.5° или 15°, возможность униполярной или биполярной намотки и несколько вариантов конструкции ротора: захваченный, незахваченный или внешний. Модель предлагает выбор напряжений питания 5 В или 12 В с соответствующим номинальным током 160 мА или 370 мА. Шаг двигателя обеспечивает точное перемещение от 0.0127 до 0.1016 мм.
Конструктивные особенности двигателя, включая вариативность типа ротора и схемы намотки, обеспечивают его гибкую адаптацию и надежную работу в различных системах управления. Широкий диапазон электрических параметров (сопротивления и индуктивности) и качественное исполнение позволяют использовать устройство в прецизионных промышленных и автоматизированных системах, требующих точного позиционирования.
| Намотка | Униполярный/Биполярный | ||||
|---|---|---|---|---|---|
| Тип | Захваченный, Незахваченный, Внешний | ||||
| Угол шага | 7.5 | 15 | |||
| Напряжение | В | 5 | 12 | 5 | 12 |
| Ток/фаза | мА | 370 | 160 | 370 | 160 |
| Сопротивление/Фаза | Ω | 13.5 | 70 | 13.5 | 70 |
| Индуктивность/Фаза | мГн | 12.5 | 65 | 9.5 | 47 |
| Доступно для перемещения за шаг | мм | 0.0127 | 0.0254 | ||
| 0.0254 | 0.0508 | ||||
| 0.0508 | 0.1016 | ||||
ПРИМЕЧАНИЕ: Двигатель может быть спроектирован по индивидуальному заказу.
Диаметр винта (опционально) 1) 3.5; 2) 4.77 (мм)
Свинец Дополнительный 1) 0.3048, 0.6096, 1.0, 1.2192, 2.0, 2.4384, 2.54, 4.0, 8.0...... (мм); 2) 0.635, 1.27, 2.54, 5.08, 10.16 ......(мм)
Доступный ход за шаг = (Угол шага/360)* Шаг (мм)
Кривая скорости шага и тяги




Остались вопросы?
Не нашли нужную модель или нужна консультация по продукции? Наши менеджеры будут рады Вам помочь разобраться во всем. Просто заполните форму, и мы свяжемся с Вами как можно скорее.