22JM20K-20STH - Шаговые двигатели с редуктором
Техническое описание в формате .pdf
Заказ товара
Для того, чтобы сделать заказ, вы можете:
Прислать заявку по почте ring@upel.ru
Позвонить по тел./отправить факс на +7 (499) 490-03-65
Написать в Whatsapp
Мы работаем только с юридическими лицами. Соответственно, при оплате наших товаров используется только безналичный расчет. По предоплате и с НДС. Минимальная сумма заказа составляет пять тысяч рублей. Счет действителен в течение 3 рабочих дней.
Сроки отгрузки также указываются и в коммерческом предложении, и в счете. Мы делаем все возможные скидки крупным и постоянным клиентам. Если у вас есть достаточно крупный заказ или вы готовы заказывать регулярно — вам стоит обратиться к менеджеру и обсудить свою ПЕРСОНАЛЬНУЮ скидку.
Технические характеристики
| Характеристика | Значение |
|---|---|
| Производитель | Fulling Motor |
Стандартные модели
| Характеристика | Модель | |
|---|---|---|
| FL20STH33-0604A | FL20STH42-0804A | |
| Номинальное напряжение (VDC) | 3.9 | 4.32 |
| Ток (А) | 0.6 | 0.8 |
| Сопротивление (Ом) | 6.5 | 5.4 |
| Индуктивность (мГн) | 1.7 | 1.5 |
| Удерживающий крутящий момент (кг·см) | 0.18 | 0.3 |
| Количество выводных контактов | 4 | 4 |
| Инерция ротора (г·м²) | 2.0x10⁻⁷ | 3.6x10⁻⁷ |
| Масса (кг) | 0.06 | 0.8 |
| Длина двигателя L1(мм) | 33 | 42 |
| Макс. передаточное отношение | ≤1:369 | ≤1:264 |
FL20STH33-0604A
| Номинальное напряжение (VDC) | 3.9 |
| Ток (А) | 0.6 |
| Сопротивление (Ом) | 6.5 |
| Индуктивность (мГн) | 1.7 |
| Удерживающий крутящий момент (кг·см) | 0.18 |
| Количество выводных контактов | 4 |
| Инерция ротора (г·м²) | 2.0x10⁻⁷ |
| Масса (кг) | 0.06 |
| Длина двигателя L1(мм) | 33 |
| Макс. передаточное отношение | ≤1:369 |
FL20STH42-0804A
| Номинальное напряжение (VDC) | 4.32 |
| Ток (А) | 0.8 |
| Сопротивление (Ом) | 5.4 |
| Индуктивность (мГн) | 1.5 |
| Удерживающий крутящий момент (кг·см) | 0.3 |
| Количество выводных контактов | 4 |
| Инерция ротора (г·м²) | 3.6x10⁻⁷ |
| Масса (кг) | 0.8 |
| Длина двигателя L1(мм) | 42 |
| Макс. передаточное отношение | ≤1:264 |
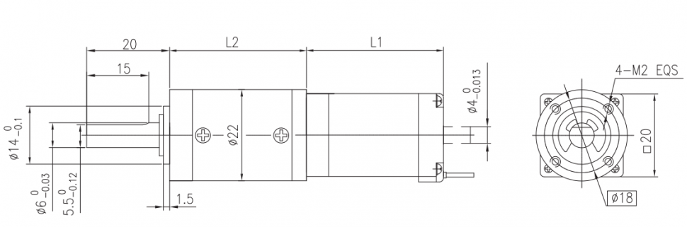
Общее описание
Модель 22JM20K-20STH представляет собой шаговый двигатель с редуктором. Ключевые технические параметры включают номинальное напряжение от 3.9 до 4.32 В, ток от 0.6 до 0.8 А и удерживающий крутящий момент от 0.18 до 0.3 кг·см. Редуктор предлагает широкий диапазон передаточных чисел - от 3.71 до 369, что обеспечивает высокое разрешение и момент на выходном валу.
Конструктивные особенности, такие как металлические зубчатые колеса редуктора, шарикоподшипники на выходном валу и низкий люфт (от 0.6° до 1.5°), обеспечивают надежную и точную работу в системах позиционирования. Устройство способно выдерживать радиальные нагрузки до 50 Н и осевые нагрузки до 30 Н, что делает его пригодным для применения в различных промышленных и автоматизированных системах, где требуются компактные размеры, высокая точность и надежность.
Планетарный шаговый двигатель
Материал зубчатого колеса: металл
| FL20STH 22JMS20K | Планетарный редуктор 22 мм, допустимый диапазон нагрузки: 0.6 - 2 Н·м |
|---|
Планетарный редуктор
| Материал кольца | металл |
|---|---|
| Подшипник на выходе | Шарикоподшипники |
| Макс. Радиальная нагрузка (10 мм от фланца) | 50 Н |
| Макс. осевая нагрузка на валу | 30 Н |
| Радиальный люфт вала (около фланца) | ≤0.08 мм |
| Осевой люфт вала | ≤0.3 мм |
Технические характеристики планетарного редуктора
| Коэффициент уменьшения | 3.71 | 5.18 | 14 | 19 | 27 | 51 | 71 | 100 | 139 | 189 | 264 | 369 |
|---|---|---|---|---|---|---|---|---|---|---|---|---|
| Точный коэффициент уменьшения | 63/17 | 57/11 | 3969/289 | 3591/187 | 3249/121 | 250047/4913 | 226233/3179 | 204687/2057 | 185193/1331 | 538861/2857 | 1119000/4243 | 3661450/9929 |
| Количество зубчатых передач | 1 | 2 | 3 | 4 | ||||||||
| Длина (L2) мм | 23.4 | 30 | 36.4 | 42.8 | ||||||||
| Макс. номинальный крутящий момент | 6 | 10 | 20 | 20 | ||||||||
| Допустимый кратковременный крутящий момент | 20 | 30 | 60 | 60 | ||||||||
| КПД % | 0.9 | 0.81 | 0.73 | 0.66 | ||||||||
| Люфт на холостом ходу | 0.6° | 1.0° | 1.5° | 1.5° | ||||||||
| Вес, г | 31 | 37 | 43 | 49 | ||||||||
Остались вопросы?
Не нашли нужную модель или нужна консультация по продукции? Наши менеджеры будут рады Вам помочь разобраться во всем. Просто заполните форму, и мы свяжемся с Вами как можно скорее.