φ15 PM - Шаговые двигатели с постоянными магнитами
Техническое описание в формате .pdf
Заказ товара
Для того, чтобы сделать заказ, вы можете:
Прислать заявку по почте ring@upel.ru
Позвонить по тел./отправить факс на +7 (499) 490-03-65
Написать в Whatsapp
Мы работаем только с юридическими лицами. Соответственно, при оплате наших товаров используется только безналичный расчет. По предоплате и с НДС. Минимальная сумма заказа составляет пять тысяч рублей. Счет действителен в течение 3 рабочих дней.
Сроки отгрузки также указываются и в коммерческом предложении, и в счете. Мы делаем все возможные скидки крупным и постоянным клиентам. Если у вас есть достаточно крупный заказ или вы готовы заказывать регулярно — вам стоит обратиться к менеджеру и обсудить свою ПЕРСОНАЛЬНУЮ скидку.
Технические характеристики
| Характеристика | Значение |
|---|---|
| Производитель | Fulling Motor |
Общее описание
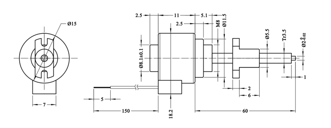
Модель φ15 PM представляет собой шаговый двигатель с постоянными магнитами и внешним ротором. Ключевые технические параметры включают угол шага 18°, возможность униполярной или биполярной намотки и выбор из нескольких напряжений питания: 4 В, 5 В или 12 В с соответствующим номинальным током от 70 мА до 200 мА. Шаг двигателя обеспечивает точное перемещение от 0.02 до 0.05 мм.
Конструктивные особенности двигателя, такие как внешний тип ротора и вариативная схема намотки, обеспечивают его надежную и гибкую работу в различных системах управления. Стабильные электрические параметры (сопротивление, индуктивность) и качественное исполнение позволяют использовать устройство в прецизионных промышленных и автоматизированных системах, где требуются компактные размеры и точное позиционирование.
| Намотка | Униполярный/Биполярный | |||
|---|---|---|---|---|
| Тип | Внешний | |||
| Угол шага | 18 | |||
| Напряжение | В | 4 | 5 | 12 |
| Ток/фаза | мА | 200 | 160 | 70 |
| Сопротивление/Фаза | Ω | 20 | 33 | 180 |
| Индуктивность/Фаза | мГн | 506 | 8.7 | 49 |
| Доступно для перемещения за шаг | мм | 0.02 | ||
| 0.025 | ||||
| 0.05 | ||||
ПРИМЕЧАНИЕ: Двигатель может быть спроектирован по индивидуальному заказу.
Диаметр винта (опционально) 1) 3.0 (мм)
Свинец Дополнительный 1) 0.5, 1.0 ......(мм)
Доступный ход за шаг = (Угол шага/360)* Шаг (мм)
Кривая шага и скорости

Остались вопросы?
Не нашли нужную модель или нужна консультация по продукции? Наши менеджеры будут рады Вам помочь разобраться во всем. Просто заполните форму, и мы свяжемся с Вами как можно скорее.