15/20/25/35/42/57BYT - Шаговые двигатели с постоянными магнитами
Техническое описание в формате .pdf
Заказ товара
Для того, чтобы сделать заказ, вы можете:
Прислать заявку по почте ring@upel.ru
Позвонить по тел./отправить факс на +7 (499) 490-03-65
Написать в Whatsapp
Мы работаем только с юридическими лицами. Соответственно, при оплате наших товаров используется только безналичный расчет. По предоплате и с НДС. Минимальная сумма заказа составляет пять тысяч рублей. Счет действителен в течение 3 рабочих дней.
Сроки отгрузки также указываются и в коммерческом предложении, и в счете. Мы делаем все возможные скидки крупным и постоянным клиентам. Если у вас есть достаточно крупный заказ или вы готовы заказывать регулярно — вам стоит обратиться к менеджеру и обсудить свою ПЕРСОНАЛЬНУЮ скидку.
Технические характеристики
| Характеристика | Значение |
|---|---|
| Производитель | Fulling Motor |
Стандартные модели
| Характеристика | Модель | |||||||||||||
|---|---|---|---|---|---|---|---|---|---|---|---|---|---|---|
| 15BYT-01 | 18BY30Z-01 | 20BYT-01 | 20BYZ-09 | 25BY24T-04 | 25BY24T-12 | 25BY48T-12 | 25BY48T-31 | 35BY24LZ-01 | 35BY48LZ-01 | 35BY48SZ-01 | 42BY48LZ-01 | 42BY48SZ-01 | 57BY48Z-01 | |
| Угол шага | 18 | 18 | 18 | 18 | 15 | 15 | 7.5 | 7.5 | 15 | 7.5 | 7.5 | 7.5 | 7.5 | 7.5 |
| Количество фаз | 2 | 2 | 2 | 2 | 2 | 2 | 2 | 2 | 4 | 4 | 4 | 4 | 4 | 4 |
| Напряжение (В) | 12 | 12 | 5 | 12 | 12 | 3.3 | 12 | 3.3 | 24 | 12 | 5 | 12 | 12 | 12 |
| Ток (А) | 0.07 | 0.11 | 0.5 | 0.6 | 0.48 | 0.33 | 0.143 | 0.33 | 0.28 | 0.2 | 0.71 | 0.18 | 0.3 | 0.6 |
| Сопротивление (Ом) | 170 | 110 | 10 | 20 | 25 | 10 | 84 | 10 | 85 | 60 | 7 | 70 | 40 | 21 |
| Индуктивность (мГн) | 28 | - | 4.6 | 12.8 | 10.9 | 4.7 | 48 | 4.7 | 32.9 | 31.6 | 3 | 50.5 | 20.7 | 23.5 |
| Момент втягивания (г·см) | 5 | 6 | 10 | 10 | 45 | 25 | 50 | 25 | 110 | 50 | 60 | 60 | 70 | 320 |
| Удерживающий крутящий момент (г·см) | 25 | - | 60 | - | 180 | 100 | 150 | 100 | 450 | 520 | 450 | 500 | 550 | 1500 |
| Крутящий момент фиксатора (г·см) | 16 | - | 20 | - | 35 | 40 | 30 | 40 | 130 | 125 | 75 | 125 | 100 | 425 |
| Схема электропроводки | A | A | A | A | A | A | A | A | B | B | B | C | B | B |
| Количество выводных контактов | UL 1571 30# | - | UL 1068 28# | UL 1571 28# | UL 1068 28# | UL 1068 28# | UL 1068 28# | UL 1068 28# | UL 1007 26# | UL 1007 26# | UL 1007 26# | UL 1007 26# | UL 1095 26# | UL 1007 26# |
| Изображение | 1 | 2 | 2 | 4 | 6 | 5 | 7 | 5 | 8 | 8 | 9 | 10 | 11 | 12 |
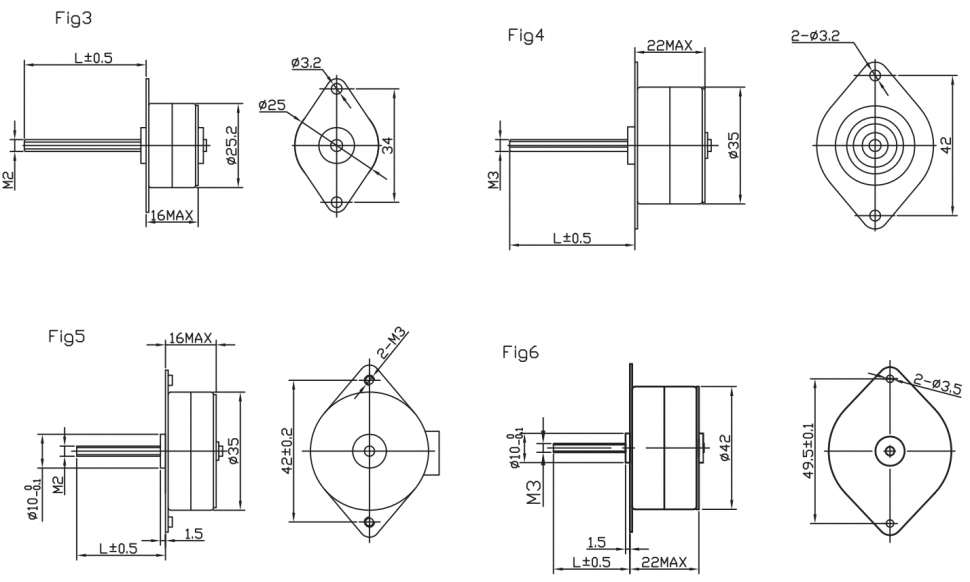
15BYT-01
| Угол шага | 18 |
| Количество фаз | 2 |
| Напряжение (В) | 12 |
| Ток (А) | 0.07 |
| Сопротивление (Ом) | 170 |
| Индуктивность (мГн) | 28 |
| Момент втягивания (г·см) | 5 |
| Удерживающий крутящий момент (г·см) | 25 |
| Крутящий момент фиксатора (г·см) | 16 |
| Схема электропроводки | A |
| Количество выводных контактов | UL 1571 30# |
| Изображение | 1 |
18BY30Z-01
| Угол шага | 18 |
| Количество фаз | 2 |
| Напряжение (В) | 12 |
| Ток (А) | 0.11 |
| Сопротивление (Ом) | 110 |
| Индуктивность (мГн) | - |
| Момент втягивания (г·см) | 6 |
| Удерживающий крутящий момент (г·см) | - |
| Крутящий момент фиксатора (г·см) | - |
| Схема электропроводки | A |
| Количество выводных контактов | - |
| Изображение | 2 |
20BYT-01
| Угол шага | 18 |
| Количество фаз | 2 |
| Напряжение (В) | 5 |
| Ток (А) | 0.5 |
| Сопротивление (Ом) | 10 |
| Индуктивность (мГн) | 4.6 |
| Момент втягивания (г·см) | 10 |
| Удерживающий крутящий момент (г·см) | 60 |
| Крутящий момент фиксатора (г·см) | 20 |
| Схема электропроводки | A |
| Количество выводных контактов | UL 1068 28# |
| Изображение | 2 |
20BYZ-09
| Угол шага | 18 |
| Количество фаз | 2 |
| Напряжение (В) | 12 |
| Ток (А) | 0.6 |
| Сопротивление (Ом) | 20 |
| Индуктивность (мГн) | 12.8 |
| Момент втягивания (г·см) | 10 |
| Удерживающий крутящий момент (г·см) | - |
| Крутящий момент фиксатора (г·см) | - |
| Схема электропроводки | A |
| Количество выводных контактов | UL 1571 28# |
| Изображение | 4 |
25BY24T-04
| Угол шага | 15 |
| Количество фаз | 2 |
| Напряжение (В) | 12 |
| Ток (А) | 0.48 |
| Сопротивление (Ом) | 25 |
| Индуктивность (мГн) | 10.9 |
| Момент втягивания (г·см) | 45 |
| Удерживающий крутящий момент (г·см) | 180 |
| Крутящий момент фиксатора (г·см) | 35 |
| Схема электропроводки | A |
| Количество выводных контактов | UL 1068 28# |
| Изображение | 6 |
25BY24T-12
| Угол шага | 15 |
| Количество фаз | 2 |
| Напряжение (В) | 3.3 |
| Ток (А) | 0.33 |
| Сопротивление (Ом) | 10 |
| Индуктивность (мГн) | 4.7 |
| Момент втягивания (г·см) | 25 |
| Удерживающий крутящий момент (г·см) | 100 |
| Крутящий момент фиксатора (г·см) | 40 |
| Схема электропроводки | A |
| Количество выводных контактов | UL 1068 28# |
| Изображение | 5 |
25BY48T-12
| Угол шага | 7.5 |
| Количество фаз | 2 |
| Напряжение (В) | 12 |
| Ток (А) | 0.143 |
| Сопротивление (Ом) | 84 |
| Индуктивность (мГн) | 48 |
| Момент втягивания (г·см) | 50 |
| Удерживающий крутящий момент (г·см) | 150 |
| Крутящий момент фиксатора (г·см) | 30 |
| Схема электропроводки | A |
| Количество выводных контактов | UL 1068 28# |
| Изображение | 7 |
25BY48T-31
| Угол шага | 7.5 |
| Количество фаз | 2 |
| Напряжение (В) | 3.3 |
| Ток (А) | 0.33 |
| Сопротивление (Ом) | 10 |
| Индуктивность (мГн) | 4.7 |
| Момент втягивания (г·см) | 25 |
| Удерживающий крутящий момент (г·см) | 100 |
| Крутящий момент фиксатора (г·см) | 40 |
| Схема электропроводки | A |
| Количество выводных контактов | UL 1068 28# |
| Изображение | 5 |
35BY24LZ-01
| Угол шага | 15 |
| Количество фаз | 4 |
| Напряжение (В) | 24 |
| Ток (А) | 0.28 |
| Сопротивление (Ом) | 85 |
| Индуктивность (мГн) | 32.9 |
| Момент втягивания (г·см) | 110 |
| Удерживающий крутящий момент (г·см) | 450 |
| Крутящий момент фиксатора (г·см) | 130 |
| Схема электропроводки | B |
| Количество выводных контактов | UL 1007 26# |
| Изображение | 8 |
35BY48LZ-01
| Угол шага | 7.5 |
| Количество фаз | 4 |
| Напряжение (В) | 12 |
| Ток (А) | 0.2 |
| Сопротивление (Ом) | 60 |
| Индуктивность (мГн) | 31.6 |
| Момент втягивания (г·см) | 50 |
| Удерживающий крутящий момент (г·см) | 520 |
| Крутящий момент фиксатора (г·см) | 125 |
| Схема электропроводки | B |
| Количество выводных контактов | UL 1007 26# |
| Изображение | 8 |
35BY48SZ-01
| Угол шага | 7.5 |
| Количество фаз | 4 |
| Напряжение (В) | 5 |
| Ток (А) | 0.71 |
| Сопротивление (Ом) | 7 |
| Индуктивность (мГн) | 3 |
| Момент втягивания (г·см) | 60 |
| Удерживающий крутящий момент (г·см) | 450 |
| Крутящий момент фиксатора (г·см) | 75 |
| Схема электропроводки | B |
| Количество выводных контактов | UL 1007 26# |
| Изображение | 9 |
42BY48LZ-01
| Угол шага | 7.5 |
| Количество фаз | 4 |
| Напряжение (В) | 12 |
| Ток (А) | 0.18 |
| Сопротивление (Ом) | 70 |
| Индуктивность (мГн) | 50.5 |
| Момент втягивания (г·см) | 60 |
| Удерживающий крутящий момент (г·см) | 500 |
| Крутящий момент фиксатора (г·см) | 125 |
| Схема электропроводки | C |
| Количество выводных контактов | UL 1007 26# |
| Изображение | 10 |
42BY48SZ-01
| Угол шага | 7.5 |
| Количество фаз | 4 |
| Напряжение (В) | 12 |
| Ток (А) | 0.3 |
| Сопротивление (Ом) | 40 |
| Индуктивность (мГн) | 20.7 |
| Момент втягивания (г·см) | 70 |
| Удерживающий крутящий момент (г·см) | 550 |
| Крутящий момент фиксатора (г·см) | 100 |
| Схема электропроводки | B |
| Количество выводных контактов | UL 1095 26# |
| Изображение | 11 |
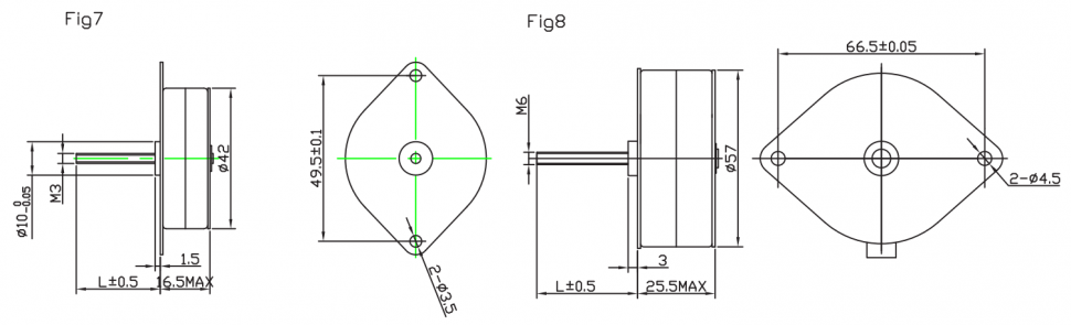
57BY48Z-01
| Угол шага | 7.5 |
| Количество фаз | 4 |
| Напряжение (В) | 12 |
| Ток (А) | 0.6 |
| Сопротивление (Ом) | 21 |
| Индуктивность (мГн) | 23.5 |
| Момент втягивания (г·см) | 320 |
| Удерживающий крутящий момент (г·см) | 1500 |
| Крутящий момент фиксатора (г·см) | 425 |
| Схема электропроводки | B |
| Количество выводных контактов | UL 1007 26# |
| Изображение | 12 |
Общее описание
Модель 15/20/25/35/42/57BYT представляет собой шаговый двигатель с постоянными магнитами. Ключевые технические параметры включают угол шага 7.5°, 15° или 18°, работу с 2 или 4 фазами и широкий диапазон номинального тока от 0.07 А до 0.71 А. Удерживающий момент достигает 1500 г·см, что обеспечивает стабильное позиционирование.
Конструктивные особенности двигателя обеспечивают его надежную работу в различных системах управления: стандартизированная схема электропроводки, использование качественных изолированных выводов (UL), а также стабильные электрические параметры. Широкий диапазон рабочих параметров позволяет использовать устройство в различных промышленных условиях и автоматизированных системах.
Детальные изображения

Остались вопросы?
Не нашли нужную модель или нужна консультация по продукции? Наши менеджеры будут рады Вам помочь разобраться во всем. Просто заполните форму, и мы свяжемся с Вами как можно скорее.