120N.m integrated QDD motor module - Соединительные модули
Техническое описание в формате .pdf
Заказ товара
Для того, чтобы сделать заказ, вы можете:
Прислать заявку по почте ring@upel.ru
Позвонить по тел./отправить факс на +7 (499) 490-03-65
Написать в Whatsapp
Мы работаем только с юридическими лицами. Соответственно, при оплате наших товаров используется только безналичный расчет. По предоплате и с НДС. Минимальная сумма заказа составляет пять тысяч рублей. Счет действителен в течение 3 рабочих дней.
Сроки отгрузки также указываются и в коммерческом предложении, и в счете. Мы делаем все возможные скидки крупным и постоянным клиентам. Если у вас есть достаточно крупный заказ или вы готовы заказывать регулярно — вам стоит обратиться к менеджеру и обсудить свою ПЕРСОНАЛЬНУЮ скидку.
Технические характеристики
| Характеристика | Значение |
|---|---|
| Производитель | Fulling Motor |
| Магнитный энкодер | 2 шт |
| Номинальное напряжение (VDC) | 48 |
| Диапазон напряжения (В) | 15-60 |
| Номинальная выходная мощность | 700 Вт ± 10% |
| Номинальный крутящий момент (Н·м) | 40 |
| Пиковый крутящий момент (Н·м) | 120 |
| Направление движения | CW/CCW |
| Диапазон температур | -20~50℃ |
| Диапазон влажности | 5~85% |
| Температура хранения | -30℃~70℃ |
| Класс изоляции | Класс Б |
| Скорость холостого хода | 200 об/мин ± 10% |
| Ток холостого хода | 0.7 Arms ±10% |
| Номинальная скорость нагрузки | 167 об/мин ± 10% |
| Номинальный фазный ток нагрузки | 27Apk ± 10% |
| Пиковый фазный ток | 90 Apk ± 10% |
| Изоляционное сопротивление | 500VAC |
| Высоковольтное сопротивление | 600VAC |
| Обратная ЭДС (Vrms/KRPM) | 16.9 ± 10% |
| Сопротивление (Ом) | 0.16 |
| Постоянная крутящего момента (Н·м/А) | 2.1 |
| Индуктивность | 0.211 мГн ± 10% |
Общее описание
Модель 120N.m integrated QDD motor module представляет собой интегрированный модуль серводвигателя прямого привода (QDD) с номинальным крутящим моментом 40 Н·м, пиковым до 120 Н·м и номинальной выходной мощностью около 700 Вт. Конструктивные особенности, такие как интеграция двигателя и привода, два магнитных энкодера, широкий диапазон рабочего напряжения (15-60 В) и высокий класс изоляции, обеспечивают надежную работу. Модуль характеризуется высокой перегрузочной способностью: выдерживает 46 Н·м до 2500 с, 70 Н·м - 350 с, 80 Н·м - 160 с и 120 Н·м - 10 с.
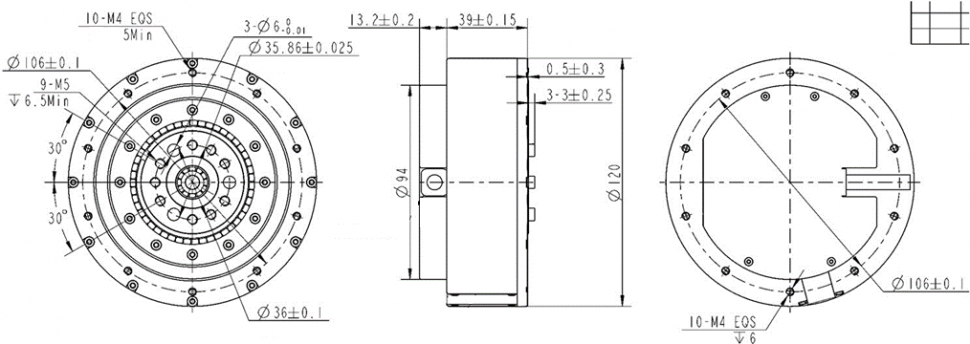
Механические характеристики
| Элемент | Спецификация |
|---|---|
| Масса | 1420 г
±20 г |
| Полюс | 42 |
| Фаза | 3 |
| Метод привода | ВОК |
| Коэффициент уменьшения | 9 : 01 |
Кривая производительности

Максимальная перегрузка

| Нагрузка (Н*м) | Время работы (с) |
|---|---|
| 40 | оцененный |
| 46 | 2500 |
| 70 | 350 |
| 80 | 160 |
| 120 | 10
|
Остались вопросы?
Не нашли нужную модель или нужна консультация по продукции? Наши менеджеры будут рады Вам помочь разобраться во всем. Просто заполните форму, и мы свяжемся с Вами как можно скорее.