PMG25/35 - Шаговые двигатели с постоянными магнитами
Техническое описание в формате .pdf
Заказ товара
Для того, чтобы сделать заказ, вы можете:
Прислать заявку по почте ring@upel.ru
Позвонить по тел./отправить факс на +7 (499) 490-03-65
Написать в Whatsapp
Мы работаем только с юридическими лицами. Соответственно, при оплате наших товаров используется только безналичный расчет. По предоплате и с НДС. Минимальная сумма заказа составляет пять тысяч рублей. Счет действителен в течение 3 рабочих дней.
Сроки отгрузки также указываются и в коммерческом предложении, и в счете. Мы делаем все возможные скидки крупным и постоянным клиентам. Если у вас есть достаточно крупный заказ или вы готовы заказывать регулярно — вам стоит обратиться к менеджеру и обсудить свою ПЕРСОНАЛЬНУЮ скидку.
Технические характеристики
| Характеристика | Значение |
|---|---|
| Производитель | Fulling Motor |
| Погрешность угла шага | ±7% |
| Повышение температуры | 80℃ макс. (номинальный ток, 2 фазы) |
| Колебание температуры | -10°C~+50°C |
| Изоляционное сопротивление | 100 MОм, 500 VDC |
| Класс изоляции | Класс Е |
| Диэлектрическая прочность | 650 VAC / 1s |
Стандартные модели
| Характеристика | Модель | |||||||||
|---|---|---|---|---|---|---|---|---|---|---|
| PMG2505-01 | PMG2505-02 | PMG2510-01 | PMG2530-01 | PMG3519-01 | PMG3519-02 | PMG3508-01 | PMG3530-01 | PMG3560-01 | PMG35120-01 | |
| Угол шага | 7.5/5 | 15/5 | 7.5/10 | 7.5/30 | 7.5/19 | 7.5/19 | 7.5/8.4 | 7.5/30 | 7.5/60 | 7.5/120 |
| Количество фаз | 2 | 2 | 2 | 4 | 4 | 4 | 4 | 4 | 4 | 4 |
| Напряжение (В) | 2.6 | 3.5 | 2.8 | 13.3 | 24 | 12 | 12 | 12 | 12 | 12 |
| Ток (А) | 0.52 | 0.365 | 0.467 | 0.11 | 0.218 | 0.4 | 0.4 | 0.4 | 0.4 | 0.4 |
| Сопротивление (Ом) | 5 | 9.6 | 6 | 120 | 110 | 30 | 30 | 30 | 30 | 30 |
| Момент втягивания (г·см) | 75 | 100 | 200 | 750 | 2280 | 1900 | 840 | 3000 | 6000 | 8000 |
| Максимальная скорость втягивания (pps) | 450 | 420 | 550 | 680 | 360 | 360 | 500 | 500 | 420 | 400 |
| Удерживающий крутящий момент (г·см) | 450 | 500 | 1400 | 4000 | 4500 | 4000 | 1150 | 5000 | 8000 | 10000 |
| Соотношение | 1:5 | 1:5 | 1:10 | 1:30 | 1:19 | 1:19 | 1:8.4 | 1:30 | 1:60 | 1:120 |
| Крутящий момент фиксатора (г·см) | <150 | <150 | <500 | <1400 | <2280 | <2600 | <500 | <1500 | <3000 | <6000 |
| Схема электропроводки | A | A | А | B | C | C | C | C | C | C |
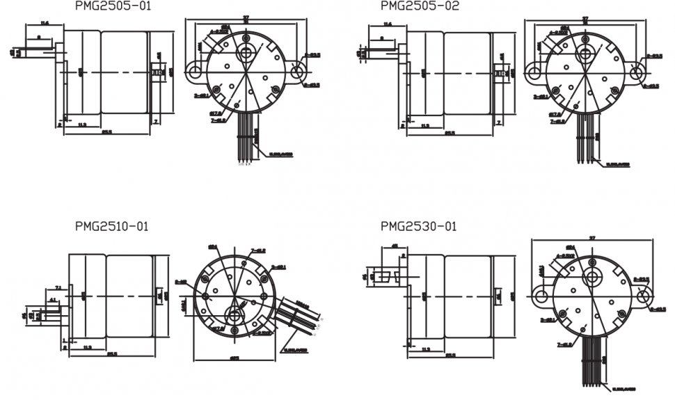
PMG2505-01
| Угол шага | 7.5/5 |
| Количество фаз | 2 |
| Напряжение (В) | 2.6 |
| Ток (А) | 0.52 |
| Сопротивление (Ом) | 5 |
| Момент втягивания (г·см) | 75 |
| Максимальная скорость втягивания (pps) | 450 |
| Удерживающий крутящий момент (г·см) | 450 |
| Соотношение | 1:5 |
| Крутящий момент фиксатора (г·см) | <150 |
| Схема электропроводки | A |
PMG2505-02
| Угол шага | 15/5 |
| Количество фаз | 2 |
| Напряжение (В) | 3.5 |
| Ток (А) | 0.365 |
| Сопротивление (Ом) | 9.6 |
| Момент втягивания (г·см) | 100 |
| Максимальная скорость втягивания (pps) | 420 |
| Удерживающий крутящий момент (г·см) | 500 |
| Соотношение | 1:5 |
| Крутящий момент фиксатора (г·см) | <150 |
| Схема электропроводки | A |
PMG2510-01
| Угол шага | 7.5/10 |
| Количество фаз | 2 |
| Напряжение (В) | 2.8 |
| Ток (А) | 0.467 |
| Сопротивление (Ом) | 6 |
| Момент втягивания (г·см) | 200 |
| Максимальная скорость втягивания (pps) | 550 |
| Удерживающий крутящий момент (г·см) | 1400 |
| Соотношение | 1:10 |
| Крутящий момент фиксатора (г·см) | <500 |
| Схема электропроводки | А |
PMG2530-01
| Угол шага | 7.5/30 |
| Количество фаз | 4 |
| Напряжение (В) | 13.3 |
| Ток (А) | 0.11 |
| Сопротивление (Ом) | 120 |
| Момент втягивания (г·см) | 750 |
| Максимальная скорость втягивания (pps) | 680 |
| Удерживающий крутящий момент (г·см) | 4000 |
| Соотношение | 1:30 |
| Крутящий момент фиксатора (г·см) | <1400 |
| Схема электропроводки | B |
PMG3519-01
| Угол шага | 7.5/19 |
| Количество фаз | 4 |
| Напряжение (В) | 24 |
| Ток (А) | 0.218 |
| Сопротивление (Ом) | 110 |
| Момент втягивания (г·см) | 2280 |
| Максимальная скорость втягивания (pps) | 360 |
| Удерживающий крутящий момент (г·см) | 4500 |
| Соотношение | 1:19 |
| Крутящий момент фиксатора (г·см) | <2280 |
| Схема электропроводки | C |
PMG3519-02
| Угол шага | 7.5/19 |
| Количество фаз | 4 |
| Напряжение (В) | 12 |
| Ток (А) | 0.4 |
| Сопротивление (Ом) | 30 |
| Момент втягивания (г·см) | 1900 |
| Максимальная скорость втягивания (pps) | 360 |
| Удерживающий крутящий момент (г·см) | 4000 |
| Соотношение | 1:19 |
| Крутящий момент фиксатора (г·см) | <2600 |
| Схема электропроводки | C |
PMG3508-01
| Угол шага | 7.5/8.4 |
| Количество фаз | 4 |
| Напряжение (В) | 12 |
| Ток (А) | 0.4 |
| Сопротивление (Ом) | 30 |
| Момент втягивания (г·см) | 840 |
| Максимальная скорость втягивания (pps) | 500 |
| Удерживающий крутящий момент (г·см) | 1150 |
| Соотношение | 1:8.4 |
| Крутящий момент фиксатора (г·см) | <500 |
| Схема электропроводки | C |
PMG3530-01
| Угол шага | 7.5/30 |
| Количество фаз | 4 |
| Напряжение (В) | 12 |
| Ток (А) | 0.4 |
| Сопротивление (Ом) | 30 |
| Момент втягивания (г·см) | 3000 |
| Максимальная скорость втягивания (pps) | 500 |
| Удерживающий крутящий момент (г·см) | 5000 |
| Соотношение | 1:30 |
| Крутящий момент фиксатора (г·см) | <1500 |
| Схема электропроводки | C |
PMG3560-01
| Угол шага | 7.5/60 |
| Количество фаз | 4 |
| Напряжение (В) | 12 |
| Ток (А) | 0.4 |
| Сопротивление (Ом) | 30 |
| Момент втягивания (г·см) | 6000 |
| Максимальная скорость втягивания (pps) | 420 |
| Удерживающий крутящий момент (г·см) | 8000 |
| Соотношение | 1:60 |
| Крутящий момент фиксатора (г·см) | <3000 |
| Схема электропроводки | C |
PMG35120-01
| Угол шага | 7.5/120 |
| Количество фаз | 4 |
| Напряжение (В) | 12 |
| Ток (А) | 0.4 |
| Сопротивление (Ом) | 30 |
| Момент втягивания (г·см) | 8000 |
| Максимальная скорость втягивания (pps) | 400 |
| Удерживающий крутящий момент (г·см) | 10000 |
| Соотношение | 1:120 |
| Крутящий момент фиксатора (г·см) | <6000 |
| Схема электропроводки | C |
Общее описание
Модель PMG25/35 представляет собой редукторный шаговый двигатель с постоянными магнитами. Ключевые технические параметры включают в себя стандартный угол шага 7.5° или 15°, преобразуемый редуктором с соотношением от 1:5 до 1:120, работу с 2 или 4 фазами и широкий диапазон номинального тока от 0.11 А до 0.52 А. Удерживающий момент достигает 10000 г·см, а момент втягивания - до 8000 г·см, что обеспечивает исключительно высокое усилие и точное позиционирование.
Конструктивные особенности двигателя, включая использование высокоточных редукторов, обеспечивают его надежную работу в системах, требующих повышенного крутящего момента. Устройство соответствует высоким стандартам точности (точность угла шага ±7%, сопротивление ±10%) и надежности, включая класс изоляции E, диэлектрическую прочность 650 VAC и рабочий диапазон температур от -10°C до +50°C. Это позволяет использовать двигатель в ответственных промышленных и автоматизированных системах управления, где необходимы высокая мощность и точность.
Остались вопросы?
Не нашли нужную модель или нужна консультация по продукции? Наши менеджеры будут рады Вам помочь разобраться во всем. Просто заполните форму, и мы свяжемся с Вами как можно скорее.