42STH-42JB - Шаговые двигатели с редуктором
Техническое описание в формате .pdf
Заказ товара
Для того, чтобы сделать заказ, вы можете:
Прислать заявку по почте ring@upel.ru
Позвонить по тел./отправить факс на +7 (499) 490-03-65
Написать в Whatsapp
Мы работаем только с юридическими лицами. Соответственно, при оплате наших товаров используется только безналичный расчет. По предоплате и с НДС. Минимальная сумма заказа составляет пять тысяч рублей. Счет действителен в течение 3 рабочих дней.
Сроки отгрузки также указываются и в коммерческом предложении, и в счете. Мы делаем все возможные скидки крупным и постоянным клиентам. Если у вас есть достаточно крупный заказ или вы готовы заказывать регулярно — вам стоит обратиться к менеджеру и обсудить свою ПЕРСОНАЛЬНУЮ скидку.
Технические характеристики
| Характеристика | Значение |
|---|---|
| Производитель | Fulling Motor |
Общее описание
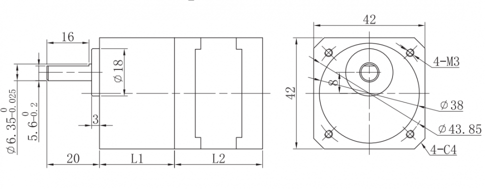
Модель 42STH-42JB представляет собой шаговый двигатель с редуктором. Ключевые технические параметры включают различные передаточные числа редуктора: 3.6, 7.2, 9, 10, 18 и 36, что обеспечивает широкий диапазон выходных скоростей (от 16.5 до 83 об/мин) и крутящих моментов (до 2.3 Нм). Двигатель обладает номинальным крутящим моментом 2.5 Нм, максимальным - 3 Нм, и высокой эффективностью до 81%.
Конструктивные особенности двигателя, включая использование 2-4 зубчатых передач в редукторе и малую обратную реакцию (0.4-0.6 градуса), обеспечивают его надежную работу в системах, требующих высокого момента и точного позиционирования. Компактные размеры и модульная конструкция позволяют легко интегрировать устройство в различные промышленные и автоматизированные системы управления.
Общая спецификация
| Соотношение | 3.6 | 7.2 | 9 | 10 | 18 | 36 |
|---|---|---|---|---|---|---|
| Масса | 0.1 кг | 0.125 кг | 0.15 кг | |||
| Количество зубчатых передач | 2 | 3 | 4 | |||
| Номинальный крутящий момент | 2.5 Нм | |||||
| Максимальный крутящий момент | 3 Нм | |||||
| Эффективность | 81% | 72% | 65% | |||
| Обратная реакция | 0.6 градуса | 0.4 градуса | ||||
Технические характеристики мотор-редуктора
| Соотношение | 3.6 | 7.2 | 9 | 10 | 18 | 36 | |
|---|---|---|---|---|---|---|---|
| FL42STH33-42JB | Крутящий момент (Нм) (при 300 об/мин) | 0.5 | 1.1 | 1.3 | 1.45 | 2.3 | - |
| скорость (об/мин) | 83 | 41.5 | 33 | 30 | 16.5 | - | |
| FL42STH38-42JB | Крутящий момент (Нм) (при 300 об/мин) | 0.73 | 1.45 | 1.8 | 2 | - | - |
| скорость (об/мин) | 83 | 41 | 33 | 30 | - | - | |
| Соотношение | L2 (мм) | L1 (мм) | |
|---|---|---|---|
| FL42STH33-42JB | FL42STH38-42JB | ||
| 3.6---36 | 33.5 | 39.5 | 28.5 |
Остались вопросы?
Не нашли нужную модель или нужна консультация по продукции? Наши менеджеры будут рады Вам помочь разобраться во всем. Просто заполните форму, и мы свяжемся с Вами как можно скорее.